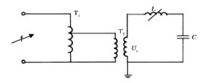
の直列共振 test device can utilize the inductance and capacitance of the resonant reactor to generate series resonance with the tested equipment, and obtain the required high voltage on the tested object. The basic principle of 直列共振is shown in Figure 1.

Figure 1 Schematic diagram of series resonance
When a 直列共振 occurs in the circuit, x1=xc,uc=u/rxc=u/rxl。 XL is the loop inductance, XC is the loop bending resistance, U is the excitation voltage, and UC is the receiving voltage of the test sample. If the quality factor of the resonant circuit is Q, then Uc=Qu, that is, the voltage obtained on the test sample is Q times the excitation voltage, and the capacity obtained on the test sample is Q times the capacity of the test power supply, thus achieving the purpose of conducting AC withstand voltage tests on low-voltage small capacity large capacity test transformers.
The main method of tuning is to use adjustable iron core air gap reactors through modulation and induction. By adjusting the iron core air gap to change the inductance, the circuit is in a state of power frequency resonance; The present invention has disadvantages such as high noise, complex mechanical structure, heavy equipment, weighing several tons or more, and difficult transportation. The frequency modulation method uses a fixed inductance reactor, and the test circuit achieves resonance by adjusting the frequency of the excitation power supply. The present invention has the characteristics of small size, light weight, high quality factor, and convenient use, and gradually replaces them in on-site testing.
(1) Series resonance is a resonant current filtering circuit that can improve the distortion of the power supply voltage waveform, obtain a good sine voltage waveform, and effectively prevent the harmful effects of harmonic spikes on the subjects.
(2) In the 直列共振 state, when the insulation of the tested product is weak, the circuit immediately disconnects, and the voltage of the tested product rapidly drops to one tenth of the test voltage. The current flowing through the breakdown point also rapidly decreases, greatly reducing the risk of damage to the tested equipment and avoiding a sharp increase in current after breakdown during voltage testing through the testing transformer, which can cause serious damage to the tested product.
(3) The capacity and voltage of the excitation transformer are only 1/q of the test voltage and capacity. The small size and light weight of the test equipment are very conducive to on-site testing.











